Оригинальные каталоги
| № | Номер | Наименование | Цена | |
|---|---|---|---|---|
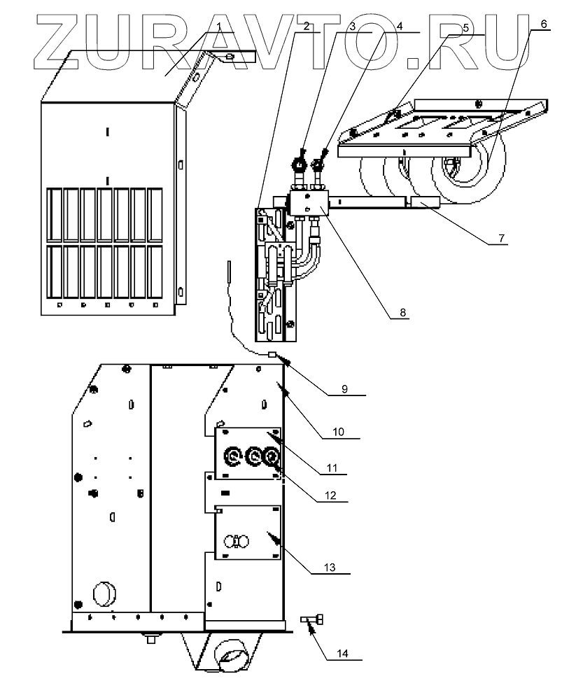
| 1 | T0131396 | Верхняя крышка выпарителя | Нет в продаже |
|
| 2 | T0110098 | Сердечник нагрева выпарителя | Нет в продаже |
|
| 3 | T0180270 | Блок обратной трубы | Нет в продаже |
|
| 4 | T0180271 | Блок жидковпускной трубы | Нет в продаже |
|
| 5 | T0140172 | Нижняя плита вентилятора | Нет в продаже |
|
| 6 | T0820039 | Ведродвигатель выпаривателя | Нет в продаже |
|
| 7 | T0131399 | Промежуточное тело выпарителя | Нет в продаже |
|
| 8 | T0800009 | Расширительный клапан | Нет в продаже |
|
| 9 | T081004 | Зонд управления температурой | Нет в продаже |
|
| 10 | T0131398 | Блок нижнего корпуса выпарителя | Нет в продаже |
|
| 11 | T0131401 | Фиксированная планка сердечник | Нет в продаже |
|
| 12 | T0880007 | Кольцо переходной трубы | Нет в продаже |
|
| 13 | T0131428 | Фиксированная планка сердечник 1 | Нет в продаже |
|
| 14 | Z01054 | Комбинированный болт с шестигранной головкой | Нет в продаже |
|
1
2
3
4
5
6
7
8
9
10
11
12
13
14
Содержащиеся в справочниках-каталогах запасные части и детали носят исключительно информационный характер