Оригинальные каталоги
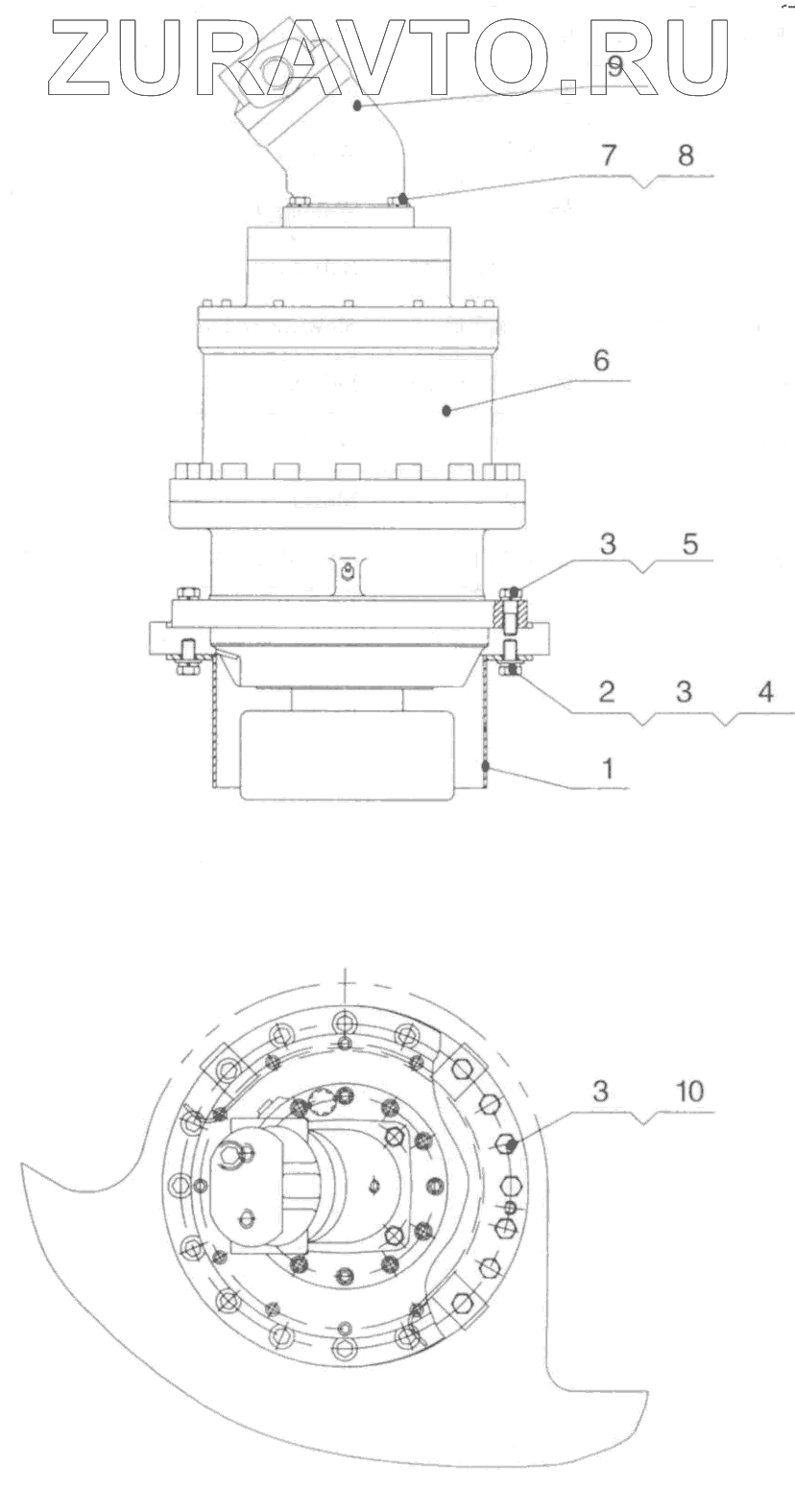
| № | Номер | Наименование | Цена | |
|---|---|---|---|---|
| 1 | QY50K.07.1 | Protection plate | Нет в продаже |
|
| 2 | 10420004 | Bolt M12x25 | Нет в продаже |
|
| 3 | 10440010 | Washer 12 | Нет в продаже |
|
| 4 | 10440012 | Washer 12 | Нет в продаже |
|
| 5 | 10410510 | Bolt М12х45 | Нет в продаже |
|
| 6 | 10310006 | Slewing reducer | Нет в продаже |
|
| 7 | 10410058 | Bolt M10x35 | Нет в продаже |
|
| 8 | 10440006 | Washer 10 | Нет в продаже |
|
| 9 | 10100023 | Motor | Нет в продаже |
|
| 10 | 10410025 | Bolt M12x60 | Нет в продаже |
|
1
2
3
3
3
4
5
6
7
8
9
10
Содержащиеся в справочниках-каталогах запасные части и детали носят исключительно информационный характер