Оригинальные каталоги
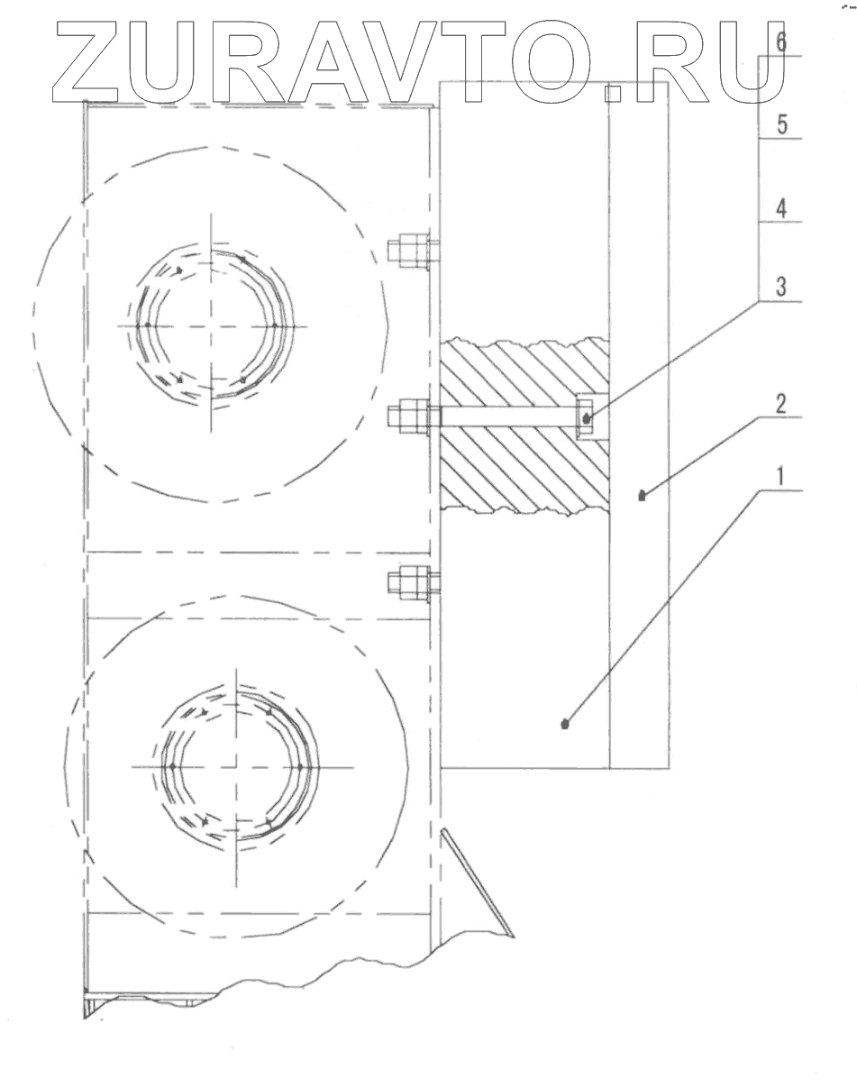
| № | Номер | Наименование | Цена | |
|---|---|---|---|---|
| 1 | QY70K.20.1 | Base balance | Нет в продаже |
|
| 2 | QY65K.20II.2 | Sub - balance | Нет в продаже |
|
| 3 | 10410704 | Bolt М36х340 | Нет в продаже |
|
| 4 | 10440040 | Washer 36 | Нет в продаже |
|
| 5 | 10430075 | Nut М36 | Нет в продаже |
|
| 6 | 10430124 | Nut M36 | Нет в продаже |
|
1
2
3
4
5
6
Содержащиеся в справочниках-каталогах запасные части и детали носят исключительно информационный характер