Оригинальные каталоги
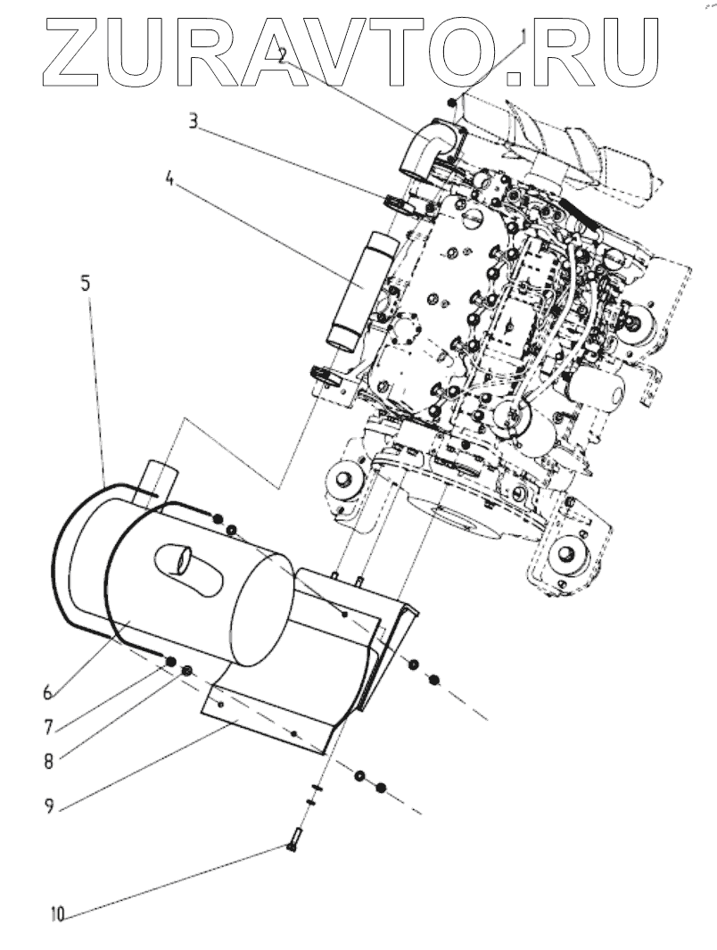
| № | Номер | Наименование | Цена | |
|---|---|---|---|---|
| 1 | 800104491 | Nut | Нет в продаже |
|
| 2 | 310300424 | Tube | Нет в продаже |
|
| 3 | 801905580 | Clamp | Нет в продаже |
|
| 4 | 800104333 | Steel Tube | Нет в продаже |
|
| 5 | 310300631 | Clamp | Нет в продаже |
|
| 6 | 800104239 | muffle | Нет в продаже |
|
| 7 | 805200048 | Гайка М10 | Нет в продаже |
|
| 8 | 805300017 | Шайба 10 | Нет в продаже |
|
| 9 | 310300632 | Bracket | Нет в продаже |
|
| 10 | 805000679 | Bolt | Нет в продаже |
|
1
2
3
4
5
6
7
8
9
10
Содержащиеся в справочниках-каталогах запасные части и детали носят исключительно информационный характер