Оригинальные каталоги
| № | Номер | Наименование | Цена | |
|---|---|---|---|---|
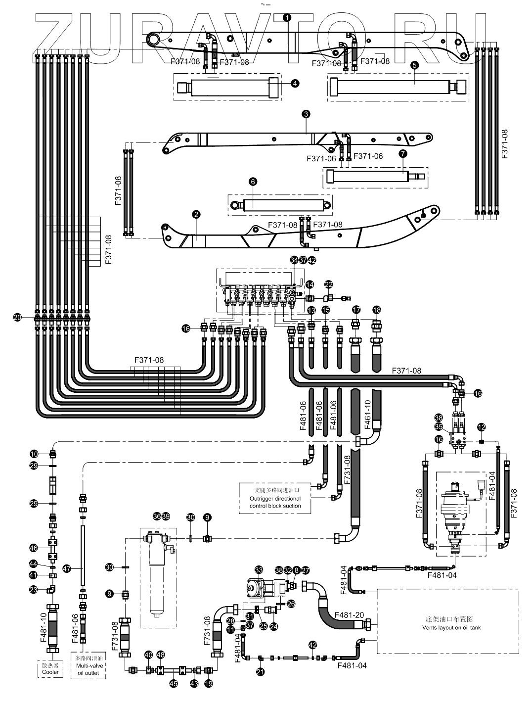
| 1 | 001615449A0001000 | One-section arm cloth tube diagram | Нет в продаже |
|
| 2 | 001615449A0002000 | Two-section arm cloth tube diagram | Нет в продаже |
|
| 3 | 001615449A0003000 | Three-section arm cloth tube diagram | Нет в продаже |
|
| 4 | 001615449A0004000 | One-section arm cylinder layout diagram | Нет в продаже |
|
| 5 | 001615449A0005000 | Two-section arm cylinder layout diagram | Нет в продаже |
|
| 6 | 001615449A0006000 | Three-section arm cylinder layout diagram | Нет в продаже |
|
| 7 | 001615449A0007000 | Four-section arm cylinder layout diagram | Нет в продаже |
|
| 8 | 001605149A0000001 | Boom pump inlet connector | Нет в продаже |
|
| 9 | 000198931A0100004 | End straight connector | Нет в продаже |
|
| 10 | 000198930A0100016 | End straight connector | Нет в продаже |
|
| 11 | 1140101452 | End straight connector | Нет в продаже |
|
| 12 | 1140101461 | End straight coupling | Нет в продаже |
|
| 13 | 1140101521 | End straight coupling | Нет в продаже |
|
| 14 | 1140101529 | Straight joint | Нет в продаже |
|
| 15 | 1140101463 | End straight coupling | Нет в продаже |
|
| 16 | 1140101464 | End straight coupling | Нет в продаже |
|
| 17 | 1140101470 | End straight connector | Нет в продаже |
|
| 18 | 1140101466 | End straight connector | Нет в продаже |
|
| 19 | 1140101428 | Straight joint | Нет в продаже |
|
| 20 | 1140101438 | Straight-through partition connector | Нет в продаже |
|
| 21 | 1140101476 | Right angle built-up joint | Нет в продаже |
|
| 22 | 1140101482 | Elbow joint | Нет в продаже |
|
| 23 | 1140101479 | Elbow joint | Нет в продаже |
|
| 24 | 1140101492 | Sae high pressure 1/2 flange joint | Нет в продаже |
|
| 25 | 1140101562 | Sae 1/2 high pressure flange sheet | Нет в продаже |
|
| 26 | 1081000473 | O-shaped sealing ring | Нет в продаже |
|
| 27 | 1081000472 | O-ring | Нет в продаже |
|
| 28 | 1081000481 | Diamond-shaped sealing ring | Нет в продаже |
|
| 29 | 1081000486 | Rhombus seal | Нет в продаже |
|
| 30 | 1081000487 | Rhombus seal | Нет в продаже |
|
| 31 | 1040100073 | Screw | Нет в продаже |
|
| 32 | 1040100097 | Screw | Нет в продаже |
|
| 33 | 1040100235 | Screw | Нет в продаже |
|
| 34 | 1040000018 | Bolt | Нет в продаже |
|
| 35 | 1040000116 | Bolt | Нет в продаже |
|
| 36 | 1040000069 | Bolt | Нет в продаже |
|
| 37 | 1040300063 | Washer | Нет в продаже |
|
| 38 | 1040300067 | Washer | Нет в продаже |
|
| 39 | 1040300054 | Washer | Нет в продаже |
|
| 40 | 1140101590 | Nut | Нет в продаже |
|
| 41 | 1140101587 | Nut | Нет в продаже |
|
| 42 | 1140101496 | PSR cutting sleeve | Нет в продаже |
|
| 43 | 1140101499 | Psr card holder | Нет в продаже |
|
| 44 | 1140101495 | Psr card holder | Нет в продаже |
|
| 45 | 001615449A0000001 | Steel pipe 1 | Нет в продаже |
|
| 46 | 001615449A0000002 | Steel pipe 2 | Нет в продаже |
|
| 47 | 001615449A0000003 | Steel pipe 3 | Нет в продаже |
|
| 48 | 1990200068 | Pipe clamp | Нет в продаже |
|
1
2
3
4
5
6
7
8
9
9
10
11
12
13
14
15
16
16
16
17
18
19
20
21
22
23
24
25
26
27
28
29
29
30
30
31
32
33
34
35
36
37
37
38
38
39
40
41
42
42
43
44
45
46
47
48
Содержащиеся в справочниках-каталогах запасные части и детали носят исключительно информационный характер