Назад

Оригинальные каталоги

zoom-in zoom-out enlarge shrink circle-right circle-left file-text2 info cart
Номер Наименование Цена
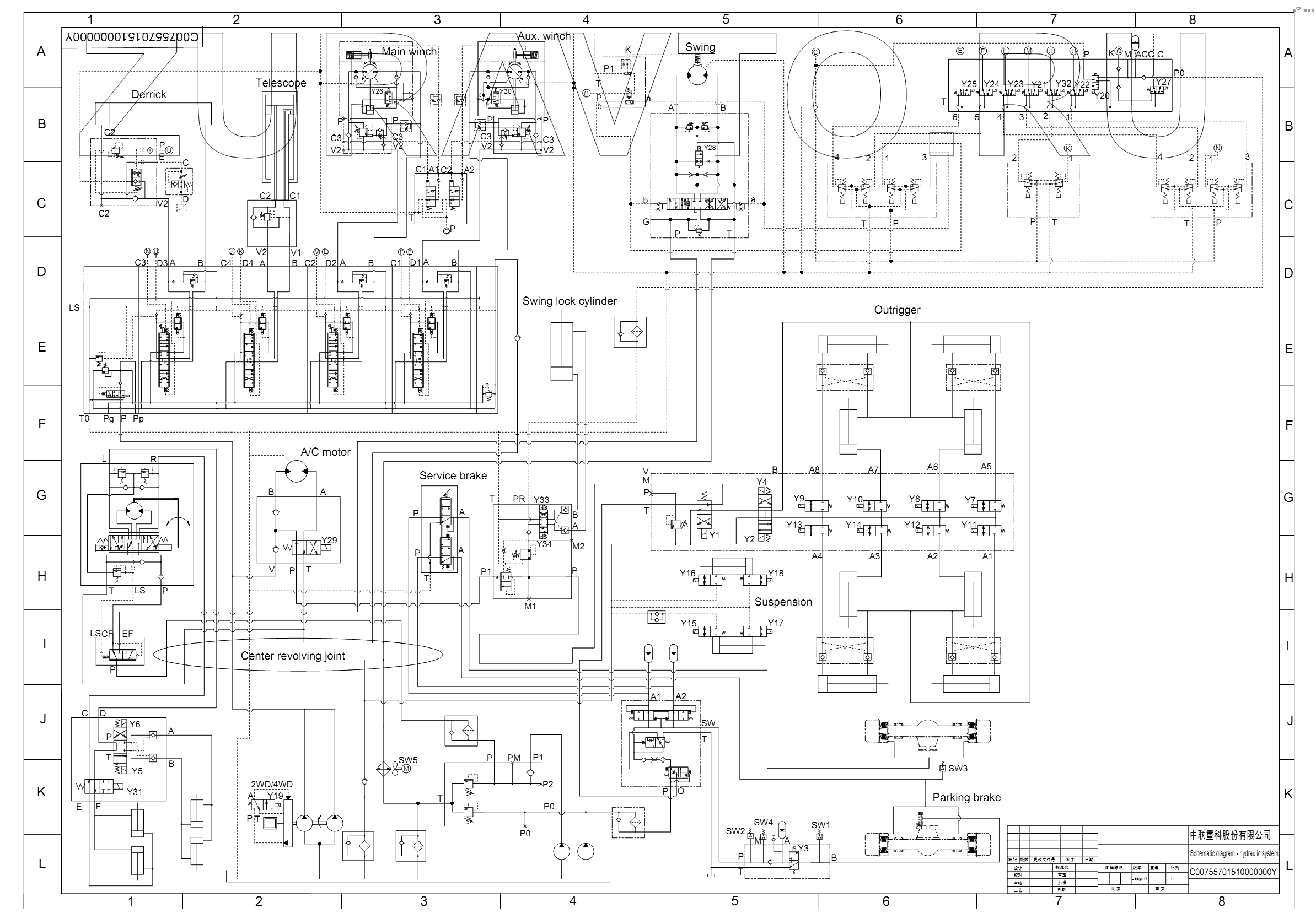
00755701510000000 00755701510000000 Schematic diagram - hydraulic system Нет в продаже
100%
Содержащиеся в справочниках-каталогах запасные части и детали носят исключительно информационный характер