Оригинальные каталоги
| № | Номер | Наименование | Цена | |
|---|---|---|---|---|
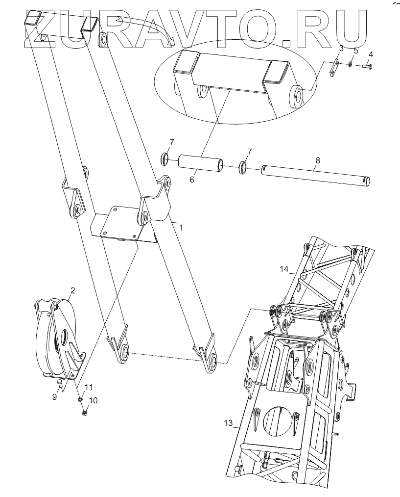
| 00663117800000000 | 00663117800000000 | FA-frame | Нет в продаже |
|
| 1 | 00663117800200000 | FA-frame welded | Нет в продаже |
|
| 2 | 00663117800400000 | Driven sprocket assy | Нет в продаже |
|
| 3 | 006340000104 | Retaining plate | Нет в продаже |
|
| 4 | 1040000288 | Bolt | Нет в продаже |
|
| 5 | 1040300063 | Washer | Нет в продаже |
|
| 6 | 00663027800001010 | Shaft bush | Нет в продаже |
|
| 7 | 00663027800001040 | Shaft bush | Нет в продаже |
|
| 8 | 00663027800001030 | Shaft | Нет в продаже |
|
| 9 | 1040000051 | Bolt | Нет в продаже |
|
| 10 | 1040200097 | Nut | Нет в продаже |
|
| 11 | 1040300038 | Washer | Нет в продаже |
|
| 12 | 204110014 | Lithium-based Grease | Нет в продаже |
|
| 13 | 00663110100210000 | Main boom head welded | Нет в продаже |
|
| 14 | Fixedjibpivotsection | Fixed jib pivot section | Нет в продаже |
|
1
2
3
4
5
6
7
7
8
9
10
11
13
14
Содержащиеся в справочниках-каталогах запасные части и детали носят исключительно информационный характер