Оригинальные каталоги
| № | Номер | Наименование | Цена | |
|---|---|---|---|---|
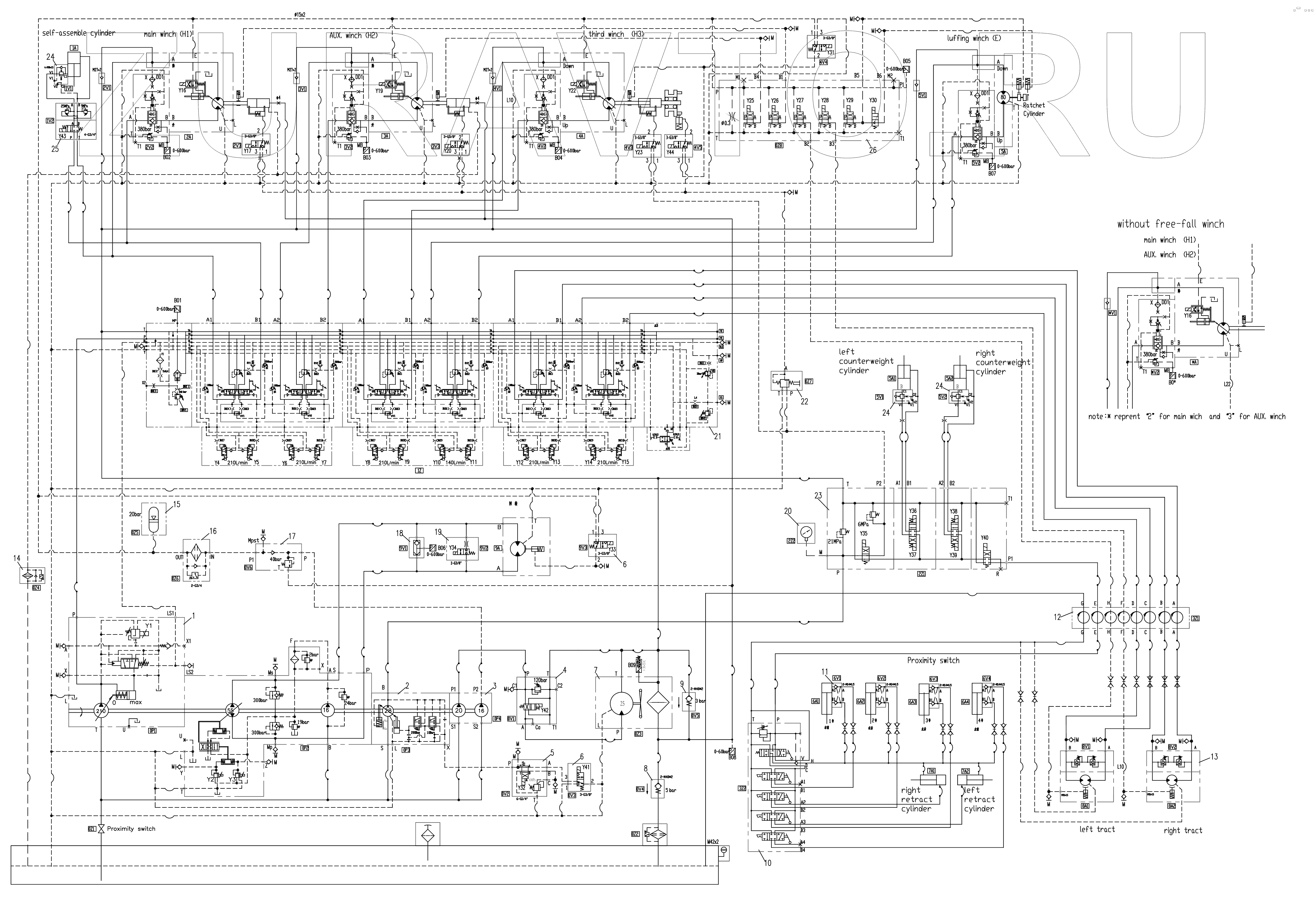
| 00663111500000001 | 00663111500000001 | Hydraulic system diagram | Нет в продаже |
|
| 1 | 1010001164 | Tandem variable pump | Нет в продаже |
|
| 2 | 1010001069 | Variable pump | Нет в продаже |
|
| 3 | 1010000078 | Gear pump | Нет в продаже |
|
| 4 | 1010300423 | Combination valve | Нет в продаже |
|
| 5 | 1010303895 | Control valve block | Нет в продаже |
|
| 6 | 1010300148 | Solenoid valve | Нет в продаже |
|
| 7 | 1010400009 | Radiator device | Нет в продаже |
|
| 8 | 1140101393 | Check valve fitting | Нет в продаже |
|
| 9 | 1010300133 | Check valve | Нет в продаже |
|
| 10 | 1010300307 | Undercarriage control valve | Нет в продаже |
|
| 11 | 1010300280 | Two-way hydraulic lock | Нет в продаже |
|
| 12 | 1011200029 | Central revolving joint | Нет в продаже |
|
| 13 | 1010300066 | Traveling brake valve | Нет в продаже |
|
| 14 | 1010600016 | Pressure oil filter | Нет в продаже |
|
| 15 | 1010800009 | Accumulator | Нет в продаже |
|
| 16 | 1010600005 | Pressure oil filter | Нет в продаже |
|
| 17 | 1010302669 | Overflow valve | Нет в продаже |
|
| 18 | 1010300062 | Shuttle valve | Нет в продаже |
|
| 19 | 1010301868 | Control valve | Нет в продаже |
|
| 20 | 1019900190 | Pressure gauge | Нет в продаже |
|
| 21 | 1010303899 | Main valve | Нет в продаже |
|
| 22 | 1010300366 | Pilot valve | Нет в продаже |
|
| 23 | 1010303898 | Control valve block | Нет в продаже |
|
| 24 | 1010300200 | Balance valve | Нет в продаже |
|
| 25 | 1010302667 | Boom lifting valve block | Нет в продаже |
|
| 26 | 1010300433 | Control valve block | Нет в продаже |
|
1
2
3
5
6
6
8
10
11
12
13
14
15
16
17
18
19
20
21
22
23
24
24
24
25
26
Содержащиеся в справочниках-каталогах запасные части и детали носят исключительно информационный характер